青岛垚鑫智能科技有限公司
宣传

位置:中冶有色 >

有色技术频道 >

> 废水处理技术

分类:
全部
矿山技术
冶金技术
材料制备及加工技术
环境保护技术
分析检测技术
 
全部
废水处理技术
大气治理技术
固/危废处置技术
土壤修复技术
地区:
全部
北京
天津
上海
重庆
河北
山西
辽宁
吉林
黑龙江
江苏
浙江
安徽
福建
江西
山东
河南
湖北
湖南
广东
海南
四川
贵州
云南
陕西
甘肃
青海
内蒙
广西
西藏
宁夏
新疆
其他
其他
展开
 
全部
北京

北京有色金属废水处理技术理论与应用

免费发布技术信息>>
MTO工艺高温废水处理及回用方法

本发明涉及一种耐高温分离膜处理含氧化合物转化烯烃生产过程中汽提净化高温废水处理及回用的方法。该组合工艺可有效去除汽提净化水中的金属离子、有机小分子等杂质,经处理后的塔釜净化水可满足中低压锅炉补给水水质要求或用于MTO工艺补水水质。有效解决了MTO工艺过程中的汽提净化水不经冷凝进行处理回用方法的不足,降低或减少了先冷却再处理过程的循环冷却水消耗,从而节约大量锅炉用水的同时回收了高温废水的热能,为相关企业的高温废水处理与回用提供了一条稳定、有效的途径。

标签:
废水处理
北京 - 北京 来源:中冶有色网 2023-03-19
KG双核数字变频再生式净化超微废水排放系统

本实用新型涉及一种KG双核数字变频再生式净化超微废水排放系统,由水源进水阀、微电脑KG双核变频控制器、三组滤瓶、低压阀、进水电磁阀、增压泵、反渗透膜、逆止单向阀、高压阀、流量数据调控表、压力净水储水罐、两组浓水再生控制阀、反冲洗阀、后置T33活性炭滤芯、BIO水还原滤芯和废水排放管组成。本实用新型的KG双核数字变频再生式净化超微废水排放系统,其浓水循环返回净化的再生水,水质达到中华人民共和国GB 17323《瓶装饮用纯净水》直饮标准,能有效提高原水利用率至86%以上,不会存在废水流速变大的现象,有效节约原水资源。本实用新型的废水排放系统不仅节水省电,而且能让使用者随时健康用水和为国家节约水资源,非常便于推广。

标签:
废水处理
北京 - 北京 来源:中冶有色网 2023-03-19
高盐废水浓缩系统及方法

本发明公开了一种高盐废水浓缩系统及方法,该高盐废水浓缩系统包括反渗透装置、浓缩塔装置和结晶器,所述反渗透装置包括原水箱、反渗透装置、反渗透产水箱和反渗透浓水箱,所述浓缩塔装置包括浓缩塔进料换热器、浓缩塔、浓缩塔再沸换热器、蒸汽冷凝换热器。该高盐废水浓缩方法包括以下步骤,将高盐废水经反渗透装置处理,分别收集浓水和产水;将所述浓水经浓缩塔进料换热器、浓缩塔、浓缩塔再沸换热器处理得到蒸汽和浓缩液;将所述蒸汽经蒸汽冷凝换热器回收处理;将所述浓缩液结晶处理。该高盐废水浓缩系统及方法解决了高盐废水处理时结晶器处理规模大、无机盐回收难度大、回收率低等难题,降低了投资成本和运行能耗。

标签:
废水处理
北京 - 北京 来源:中冶有色网 2023-03-19
基于MVR蒸发浓缩技术的高盐废水处理装置

本实用新型涉及废水治理技术领域,特别涉及一种基于MVR蒸发浓缩技术的高盐废水处理装置,包括沿废水处理工序依次设置的预处理装置、蒸发装置、分离装置和焚烧炉,预处理装置包括反应池、调节池、送料泵和预热器,反应池的上端设有电机,电机的输出端设有转轴,转轴上设有叶片,反应池的外侧壁上设有第一料道和第二料道,调节池内设有pH传感器,pH传感器的上端设有升降绳,调节池上设有转轮,调节池的外侧壁上设有摇轮,升降绳远离pH传感器的一端与摇轮固定连接。本实用新型将废水依次通过预处理装置、蒸发装置、分离装置和焚烧炉,最终将其净化成达到国家排放标准的废水,循环充分利用能量,且该装置能够高效快速的处理废水,其实用性强。

标签:
废水处理
北京 - 北京 来源:中冶有色网 2023-03-19
焦化废水处理系统
焦化废水处理系统 1019     
 0

本实用新型的焦化废水处理系统,包括:一级处理段,用于对焦化废水进行预处理以除去其中的油性污染物;二级处理段,用于对来自所述一级处理段的焦化废水进行生化处理以除去其中的耗氧污染物,例如COD有机污染物、BOD有机污染物等;三级处理段,用于对来自所述二级处理段的焦化废水进行臭氧催化氧化和MBAF曝气生化处理;污泥处理段,用于对来自所述二级处理段和三级处理段的污泥进行处理。本实用新型的焦化废水处理系统,在经济投入较小的情况下,能对焦化废水中的污染物质进行有效处理,保证出水达到国家排放标准。

标签:
废水处理
北京 - 北京 来源:中冶有色网 2023-03-19
DSD酸氧化缩合废水的处理方法

本发明提供了一种DSD酸氧化缩合废水的处理方法,属于氧化缩合废水处理技术领域。本发明的处理方法包括以下步骤:(1)将还原性铁、无机酸和活化稳定剂混合,对还原性铁进行活化,得到酸性活化液;(2)将所述酸性活化液与DSD酸氧化缩合废水混合,进行还原反应,固液分离后得到第一滤液;(3)向所述第一滤液中加入金属捕收剂,得到捕收体系;(4)对所述捕收体系进行脱色絮凝处理,固液分离后,得到处理后的废水。实施例结果表明,处理前,DSD酸氧化缩合废水呈红褐色,COD≥20000mg/L,处理后的废水变为澄清淡红色,COD可降低至4000mg/L,有机物去除率在80%以上。

标签:
废水处理
北京 - 北京 来源:中冶有色网 2023-03-19
废水综合利用处理方法

本发明涉及废水处理领域,具体涉及一种废水综合利用处理方法,包括如下步骤:S1、将废水流入到预处理端进行预处理,得到废水原液。S2、将废水原液流入到超重力反应分离端进行超重力反应分离,得到第一浓液和第一清液。S3、将第一浓液流入第一综合处理端进行第一综合处理,得到第二浓液、第二清液和可利用物质,将第一清液流入第二综合处理端进行第二综合处理得到第三浓液和第三清液。S4、将第二浓液回流至预处理端,将第二清液回流至超重力反应分离端,将第三浓液回流至第一综合处理端,检测第三清液的水质,根据第三清液的水质进行分类使用或排放。改善了以往对废水只进行简单的处理或者不处理就排入河流中,会造成水资源浪费的问题。

标签:
废水处理
北京 - 北京 来源:中冶有色网 2023-03-19
印染废水自养反硝化脱氮装置及方法

本发明提供一种印染废水自养反硝化脱氮装置及方法,属于印染废水处理技术领域。通过自养反硝化细菌,以还原态硫和铁为电子供体,将水中的NO3--N还原成N2实现脱氮。本发明通过硫铁矿和硫磺组合装填,并优化配比,具有脱氮效率高、出水pH变化小的优点。同时还具有启动速度快,无需接种污泥,反冲洗周期长等优点。本发明可根据印染废水处理厂二级出水TN的情况,采取TN超标时运行,TN达标时停止运行,二级出水直接跨越本发明进入下一处理单元或直接排放,具有运行方式灵活,运行费用低的优点。

标签:
废水处理
北京 - 北京 来源:中冶有色网 2023-03-19
尿素电解用于废水处理和煤液化供氢的系统

本实用新型公开了一种尿素电解用于废水处理和煤液化供氢的系统,利用废水中的高含量尿素,通过电解法同时氧化降解尿素和获得高纯氢气,并将氢气供给煤液化系统,发生加氢液化反应,促进煤炭资源的清洁利用;本实用新型能够降低电解制氢的能耗,且采用废水中的尿素作为原料,进一步降低了电解制氢的成本,有利于绿色无害的电解制氢方式的推广;通过电解法去除废水中的尿素,反应条件温和、处理效果好,可有效避免尿素分解释放NH3造成的环境污染;实现了尿素废水处理和高效电解制氢的耦合,并将电解制得的氢气用于煤液化过程,促进了煤炭资源的清洁高效利用,具有较高的环保意义和综合效益。

标签:
废水处理
北京 - 北京 来源:中冶有色网 2023-03-19
高盐高有机物废水零排放处理系统

本实用新型公开了一种高盐高有机物废水零排放处理系统,该高盐高有机物废水零排放处理系统包括多效蒸发分离单元、冷凝单元、真空装置、结晶盐分离单元以及杂盐分离单元,相邻的两效蒸发分离单元的蒸汽管路、浓缩废水管路以及不凝气管路分别依次连通,所述冷凝单元的壳程与末效所述蒸发分离单元的蒸汽管路、所述不凝气管路连通,真空装置与所述冷凝单元的壳程连通,用于不凝气抽真空,结晶盐分离单元与末效所述蒸发分离单元的浓缩废水管路连通,用于对浓缩后的废水实现固液分离,杂盐分离单元进液口与所述结晶盐分离单元的排液口连通,蒸汽出口与所述冷凝单元的壳程连通,以对所述结晶盐分离单元排出的母液固液分离。

标签:
废水处理
北京 - 北京 来源:中冶有色网 2023-03-19
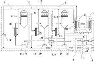
厂站建设专用废水处理设备

本实用新型公开了一种厂站建设专用废水处理设备,包括处理罐,处理罐从左往右依次设有氧化池、絮凝池、过滤池和消毒池,氧化池内部均匀布有氧气管,氧气管外侧设有生物填料,氧气管上端连接有增压泵,增压泵连接有氧气进管,氧化池左侧下端连接有废水进管,絮凝池内部设有搅拌轴,搅拌轴下端中部连接有伸缩搅拌叶,伸缩搅拌叶包括上搅拌叶和下搅拌叶,消毒池内部设有旋转轴,旋转轴下端连接有旋转电机,消毒池内部两侧设有臭氧管,臭氧管连接有臭氧发生器。本实用新型,对厂站排出废水进行了多级有效的净化处理,净化效率高,快速形成长期有效且高效率不间断净化的流水线,满足了厂站废水的处理需要,使用周期长,值得厂站建设的推广使用。

标签:
废水处理
北京 - 北京 来源:中冶有色网 2023-03-19
利用多倍聚光太阳能分离含盐废水的系统

本实用新型公开了利用多倍聚光太阳能分离含盐废水的系统,该处理池设置有进水口,还包括:封盖于处理池之上的透光密封膜,在该透光密封膜和废水处理池中最高水位线之间的处理池壁上还设置有蒸气出口;以及,设置于处理池的池体边缘以将太阳光线反射并投向处理池的反光板。本实用新型所述的利用多倍聚光太阳能分离含盐废水的系统中,通过设置透光密封膜以及反光板,从而使处理池的池体空间温度升高,并通过加装排气泵使得池体内蒸气压力降低,进而加速含盐废水中的水成分蒸发以提高含盐废水的浓度,为后续进一步处理提供便利条件。此种蒸发方式获得的较为纯净的水质可以循环使用,节约了水资源,降低企业生产成本,而剩下的浓缩废水再采用其他方式进行处理。

标签:
废水处理
北京 - 北京 来源:中冶有色网 2023-03-19
正渗透技术处理高含盐废水的装置

正渗透技术处理高含盐废水的装置,属于水处理技术领域。经过预处理的高含盐废水首先通过电渗析器的淡水室,废水中的离子在浓度差和电位差两方面推动力作用下向浓水室发生迁移,使废水中的盐分降低到适合正渗透技术处理的条件。然后通过正渗透膜元件对其进一步浓缩,废水中的水从正渗透膜的原料液侧进入汲取液侧,再将得到的被稀释汲取液通过膜蒸馏膜组件进行浓缩脱水再生,浓缩后的汲取液返回正渗透过程中循环利用,而且得到了非常纯净的产水。该装置对于高含盐废水具有广泛的适用性,具有长期运行稳定、经济效益高的优点。

标签:
废水处理
北京 - 北京 来源:中冶有色网 2023-03-19
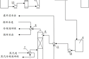
利用焦炉荒煤气余热加热蒸氨循环废水的负压蒸氨工艺

一种利用焦炉荒煤气余热加热蒸氨循环废水的负压蒸氨工艺,属于冶金焦化行业剩余氨水蒸氨领域。工艺步骤:蒸氨循环废水由蒸氨塔(1)底抽出,利用蒸氨循环废水泵(3)经蒸氨循环废水管(2)直接送入横管初冷器(4)的换热段中,与焦炉荒煤气(5)换热后获得的温度为70-72℃蒸氨循环废水,通过管道送入蒸氨塔,作为蒸氨塔的热源进行蒸氨;蒸氨循环废水换热后由横管初冷器(4)顶部通过蒸氨循环废水管(6)与蒸氨塔(1)相连接;蒸氨塔(1)顶部通过氨汽管道(7)与真空系统相接,实现蒸氨塔(1)的负压操作条件。优点在于,工艺操作简单、运行成本降低、环保效益提高、设备投资减少、节约蒸汽能源。

标签:
废水处理
北京 - 北京 来源:中冶有色网 2023-03-19
脱硫废水一次风旁路蒸发装置

本实用新型公开了一种脱硫废水一次风旁路蒸发装置,包括旁路通道,所述旁路通道一端连接于电厂锅炉的空气预热器并由所述空气预热器提供热一次风,所述旁路通道的另一端连接于烟道,所述烟道另一端连接除尘器,所述旁路通道的两端部分别设有活动挡板门,所述旁路通道上靠近空气预热器的一端设有脱硫废水喷入口。本实用新型的这种脱硫废水一次风旁路蒸发方法,从热源和反应环境的源头根本解决了传统烟道蒸发带来的飞灰积灰问题,另外,旁路方案从反应位置的角度上增加了反应的灵活性,从根本上实现了脱硫废水蒸发系统可脱离烟气主系统独立检修,不会造成机组被迫停机的局面。

标签:
废水处理
北京 - 北京 来源:中冶有色网 2023-03-19
煤化工废水电化学氧化处理装置

本实用新型涉及一种煤化工废水电化学氧化处理装置,属于节能环保领域。本实用新型装置包括电化学反应器、袋式过滤器、活性炭过滤器、离心泵、中间水箱。煤化工废水经过物理过滤后依次进入电化学反应器、袋式过滤器、中间水箱,废水在电化学反应器、袋式过滤器、中间水箱之间不断循环,直至水质指标达到设定值,进入活性炭过滤器,使废水达标排放。该装置具有处理效率高、运行能耗低、使用寿命长、电极板不易结垢等优点。

标签:
废水处理
北京 - 北京 来源:中冶有色网 2023-03-19
含有机物废水的回收处理方法

本发明提供了一种含有机物废水的回收处理方法。该方法包括:步骤S1,调节含有机物废水的pH值小于3,用碳酸盐和/或碱式碳酸盐对含有机物废水进行处理,得到处理混合物;以及步骤S2,将处理混合物中的有机物进行回收,得到净化废水。该方法通过采用廉价的碳酸盐和/或碱式碳酸盐对含有机物废水进行处理,利用含有机物废水中的氢离子与碳酸盐或者碱式碳酸盐反应产生二氧化碳气体,将废水中的有机物载带出去,进而实现废水中有机物的深度脱除和回收利用,实现废水的低成本回收循环利用或者达标排放。

标签:
废水处理
北京 - 北京 来源:中冶有色网 2023-03-19
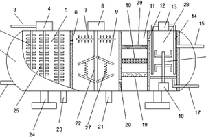
臭氧微纳米气泡催化氧化技术耦合陶瓷膜的废水处理装置

本实用新型属于废水处理技术领域,涉及一种臭氧微纳米气泡催化氧化技术耦合陶瓷膜的废水处理装置。该装置包括臭氧发生器、微纳米气泡发生器、催化氧化反应器、清水池、尾气处理系统及反冲洗系统;所述臭氧发生器与所述微纳米气泡发生器连接;所述微纳米气泡发生器与所述催化氧化反应器底部的进水口连接;所述催化氧化反应器包括反应器主体和内置的陶瓷膜组件;所述反冲洗系统分别与所述催化氧化反应器、清水池连接;所述尾气处理系统与所述催化氧化反应器排气口连接。本实用新型的废水处理装置具有运行稳定、结构合理、设计新颖等优点,可提高臭氧的利用率,增强羟基自由基的产量,减少陶瓷膜的膜污染,增大膜通量,进一步提高出水水质,使废水达标排放。

标签:
废水处理
北京 - 北京 来源:中冶有色网 2023-03-19
电化学废水处理装置及系统

本实用新型涉及一种电化学废水处理装置及系统。本实用新型提供的电化学废水处理装置包括阳极和阴极,所述阳极的材料为贵金属或钛,所述阴极的材料为碳;该装置还包括水流控制搅拌装置或推水器,用于使所述阴极和阳极之间的水流形成湍流。本实用新型采用上述阳极材料和阴极材料对废水进行电化学处理,可以更有效地降解废水中的有机污染物,从而能够达到安全排放的要求。应用本实用新型电化学废水处理装置处理废水,成本低,易于产业化,有明显的环境、社会及经济效益。

标签:
废水处理
北京 - 北京 来源:中冶有色网 2023-03-19
含汞废水的聚结脱汞的处理方法及应用

本发明提供了一种含汞废水聚结脱汞的处理方法及应用,涉及水体脱汞处理技术领域。本发明基于烷基硫醇能够改变汞元素的表面电荷,会与汞元素发生表面吸附‑架桥‑聚结的作用原理,将废水中汞元素选择性脱除。处理方法包括:将含巯基化合物的溶液A加入至含汞废水中进行混合反应,巯基化合物与汞元素聚结并形成汞聚结物;然后通过气浮(或过滤)将汞聚结物与脱汞废水进行固液分离,得到汞聚结物与脱汞废水。本处理方法对溶液体系干扰较小,对除汞之外的其他金属聚结程度较低,对汞脱除效果较好,所形成的汞聚结物汞含量较高,易于后续回收利用。

标签:
废水处理
北京 - 北京 来源:中冶有色网 2023-03-19
环氧氯丙烷废水的生化处理方法

本发明涉及一种环氧氯丙烷废水的生化处理方法,采用生化法处理环氧氯丙烷废水,处理过程中采用逐级提高进水COD和钙离子浓度的方式,同时投加耐盐菌,所述耐盐菌为北见微杆菌(Microbacterium?kitamiense)FSTB-4,已于2015年6月1日保藏于“中国微生物菌种保藏管理委员会普通微生物中心”,保藏编号为CGMCC?No.10939。本发明在环氧氯丙烷废水生化处理过程中投加特定耐盐菌,处理体系能够耐受高盐、高钙环境,实现废水中COD的高效去除,具有工艺简单、处理效率高、处理成本低等特点。

标签:
废水处理
北京 - 北京 来源:中冶有色网 2023-03-19
烧结脱硫废水零排放系统

本实用新型提供了一种烧结脱硫废水零排放系统,包括依次连接的废水生产段、混合调节段和雾化段,所述废水生产段包括依次通过管路连接的除尘装置、鼓风机和湿法脱硫装置,所述混合调节段包括废水调节池、脱硫废水抽水泵和压缩空气输入装置,所述雾化段包括雾化混合装置和连接于所述雾化混合装置输出端的喷洒管路,所述喷洒管路与环冷机的低温段进风风箱相连接,所述雾化混合装置分别与所述脱硫废水抽水泵的输出端和一抽风机的出风端相连接,所述抽风机的进风端与大气相连。本实用新型具有既能实现脱硫废水零排放,又能降低烧结矿的低温还原粉化率的优点。

标签:
废水处理
北京 - 北京 来源:中冶有色网 2023-03-19
高含盐废水的处理方法

一种高含盐废水的处理方法,对于高含盐、低COD的废水,特别是反渗透浓水,首先加入NaOH调节废水的pH,进行混凝沉淀处理,降低废水的硬度,然后进行纳滤处理、反渗透处理和多效蒸发浓缩处理,反渗透产水可以回用,多效蒸发得到的固形物可以按照固体废物的处置标准进行焚烧或填埋。该废水处理方法高效、经济,可以实现废水膜处理过程的“零排放”。

标签:
废水处理
北京 - 北京 来源:中冶有色网 2023-03-19
木片洗涤废水的处理方法

本发明涉及一种木片洗涤废水的处理方法,属于制浆造纸领域。本发明从源头上对木片洗涤水中的废弃物分类消除及高效利用,解决木片洗涤废水的污染问题;将含有泥砂、树皮、细小木屑、木质粉尘等杂质及成分复杂的溶解性物质的木片洗涤废水,通过重力沉降池分离出砂石等大比重物质,并安全填埋;再通过圆盘过滤机分离树皮、木屑及木质粉尘,并焚烧进行热值利用,经上述处理的液体,一部分回用于木片洗涤,一部分送超滤膜系统分离其中的溶解性物质,透过液回用于木片洗涤,浓缩液经进一步增浓后焚烧。本方法在保证木片洗涤的同时,提高水循环回用率,减少木片洗涤新鲜水用量,降低废水的排放量,消除木片洗涤水的污染。

标签:
废水处理
北京 - 北京 来源:中冶有色网 2023-03-19
大环酰胺金属配合物降解含有机污染物废水的方法及应用

本申请提供一种大环酰胺金属配合物降解含有机污染物废水的方法及应用。所述方法包括以下步骤:a.配置缓冲溶液;b.标定双氧水的浓度:用KMnO4标准溶液标定稀释后的双氧水溶液,获得所需浓度的双氧水水溶液;c.确定废水的最大吸收波长:用紫外可见分光光度计分别测定废水在不同波长下的吸光度值,确定其最大吸收波长;d.降解反应:在反应容器内依次加入相应的pH的缓冲溶液以及废水、催化剂水溶液和双氧水溶液,25℃条件下进行反应,并在对应的所述最大吸收波长处测其吸光度的变化曲线,计算脱色率。本申请提供的方法和应用能够有效、快速的降解废水中难以自然降解的有机污染物,降低了废水处理的难度和成本。

标签:
废水处理
北京 - 北京 来源:中冶有色网 2023-03-19
处理高温废水的微生物的培养方法

本发明公开了一种用于处理40~60℃的高温废水的微生物的培养方法。采自生化曝气池中的菌种,经接种和利用废水进行驯化培养,得到的驯化微生物可以处理高温废水。本方法过程简单,成本低,为高温废水的处理提供了一条新的出路。

标签:
废水处理
北京 - 北京 来源:中冶有色网 2023-03-19
腈纶废水处理方法
腈纶废水处理方法 1090     
 0

腈纶废水处理方法。提供了一种处理腈纶废水的方法,所述方法包括如下步骤:(a)对腈纶废水进行超声波水解处理;(b)对步骤(a)得到的经超声波水解处理的腈纶废水用生物反应池处理;以及(c)对步骤(b)得到的腈纶废水进行Fenton处理。通过对腈纶废水进行超声波水解预处理,将废水中的低聚物及难于生物降解的长链大分子分解并降解,明显降低该类废水的COD指标,提高其可生化性。超声波水解的出水进入一体化生物反应池,进行脱氮、除碳生物反应,去除大部分COD和氨氮。一体化生物反应池出水通过Fenton工艺氧化去除残余的难降解有机物,以保证出水水质。

标签:
废水处理
北京 - 北京 来源:中冶有色网 2023-03-19
煤化工高盐高污染废水的处理系统

本实用新型公开了一种煤化工高盐高污染废水的处理系统,包括预处理系统、纳滤系统、两段平板碟片DTRO反渗透系统和高效MVR蒸发系统;预处理系统,用于对煤化工高盐高污染废水进行软化处理和过滤处理;纳滤系统用于将二价离子从煤化工高盐高污染废水中分离;两段平板碟片DTRO反渗透系统,用于对煤化工高盐高污染废水进行脱盐;高效MVR蒸发系统,用于对二段平板碟片DTRO反渗透系统的浓水蒸发结晶。该煤化工高盐高污染废水的处理系统能够将煤化工高盐高污染废水进行彻底分盐资源化处置,达到零排放的目的。

标签:
废水处理
北京 - 北京 来源:中冶有色网 2023-03-19
双子表面活性剂强化平板超滤处理含苯酚废水的方法

本发明公开了一种新型表面活性剂-双子表面活性剂强化平板超滤处理含苯酚废水的方法,包括以下步骤:先将双子表面活性剂投加到含苯酚的废水中,搅拌均匀并静置,双子表面活性剂单体分子生成胶团后增溶水中苯酚;再将废水通过平板超滤膜,超滤处理后,超滤膜截留双子表面活性剂胶团,从而达到对苯酚去除的目的。本发明处理含苯酚废水,苯酚的去除效果好,能耗低,操作简单,易实现表面活性剂和苯酚回收且自动化操作。此法选择双子表面活性剂,用量少、渗透液中表面活性剂的含量小、二次污染小且形成大分子量胶团。本发明使用了截留分子量为10000~15000Dalton的平板超滤膜,膜通量大,有利于实际应用于工程。

标签:
废水处理
北京 - 北京 来源:中冶有色网 2023-03-19
抗生素制药废水的深度处理方法

本发明提供了一种抗生素制药废水的深度处理方法,属于制药废水处理领域。本发明以磁性沸石催化剂为臭氧氧化处理的催化剂,能够有效将废水中难降解的大分子有机物氧化为可生物降解的小分子有机物,同时该催化剂具有磁性,易于分离;然后经过臭氧去除,将臭氧氧化处理后的废水中残留的臭氧去除,以避免臭氧对后续的曝气生物滤池中的微生物产生毒害作用;臭氧去除后的废水通过曝气生物滤池,得到达标废水,可直接排放。此外,该深度处理方法具有工艺简单、易于实施的优势。

标签:
废水处理
北京 - 北京 来源:中冶有色网 2023-03-19
上一页 180 181 182 183 184 ... 242 下一页
共242页    到第

中冶有色为您提供最新的北京有色金属废水处理技术理论与应用信息,涵盖发明专利、权利要求、说明书、技术领域、背景技术、实用新型内容及具体实施方式等有色技术内容。打造最具专业性的有色金属技术理论与应用平台!

全国热门有色金属设备推荐
展开更多 +
全国热门有色金属技术推荐
展开更多 +

 

江西省隆恩特环保设备有限公司
宣传

报名参会
更多+

2025年10月15日 ~ 17日
2025年10月17日 ~ 19日
2025年10月31日 ~ 11月02日
2025年11月07日 ~ 09日

报告下载

有色专家
更多+

太原理工大学
院长/教授
中南大学
中国工程院 院士
江西理工大学
副校长/教授
矿冶科技集团
副所长/研究员
紫金矿业信息化研发中心
副总经理
赤泥综合利用研究报告2025
推广

热门技术
更多+

推荐企业
更多+

福建省金龙稀土股份有限公司
宣传

发布

在线客服

公众号

电话

顶部
咨询电话:
010-88793500-807