青岛垚鑫智能科技有限公司
宣传

位置:中冶有色 >

有色技术频道 >

> 废水处理技术

分类:
全部
矿山技术
冶金技术
材料制备及加工技术
环境保护技术
分析检测技术
 
全部
废水处理技术
大气治理技术
固/危废处置技术
土壤修复技术
地区:
全部
北京
天津
上海
重庆
河北
山西
辽宁
吉林
黑龙江
江苏
浙江
安徽
福建
江西
山东
河南
湖北
湖南
广东
海南
四川
贵州
云南
陕西
甘肃
青海
内蒙
广西
西藏
宁夏
新疆
其他
其他
展开
 
全部
北京

北京有色金属废水处理技术理论与应用

免费发布技术信息>>
含有机胺的废水处理方法

本发明涉及一种含有机胺的废水处理方法,主要解决了分子筛生产过程中产生含有机胺废水的处理问题。本发明采用弱酸性的固体酸作为废水处理剂,去除废水中难降解、毒性强的环状有机胺类污染物,实现废水的可生化性。废水处理剂经过简单工艺处理后可重复使用。该废水处理方法工艺步骤简单、废水中环状有机胺处理彻底,可用于分子筛生产过程中产生含有机胺废水的处理,具有良好的经济效益和社会效益。

标签:
废水处理
北京 - 北京 来源:中冶有色网 2023-03-19
煤化工含盐废水处理系统以及处理方法

一种煤化工含盐废水处理系统以及处理方法,所述煤化工含盐废水处理系统包括预处理单元、膜浓缩单元、超临界水处理单元和结晶分盐单元,所述的处理方法是采用该含盐废水处理系统,将煤化工含盐废水进行有效处理。本发明提供的系统和方法,通过超临界水处理技术能够实现浓盐废水的进一步快速浓缩,并彻底去除浓盐废水中的有机物,不仅为后续结晶分盐提供足够的结晶推动力,而且排除了有机物的影响,实现了煤化工含盐废水的无害化和资源化处置。

标签:
废水处理
北京 - 北京 来源:中冶有色网 2023-03-19
基于环形菲涅尔式高倍太阳能聚光镜的脱硫废水处理系统

本发明公开了属于燃煤电厂脱硫废水处理领域的基于环形菲涅尔式高倍太阳能聚光镜的脱硫废水处理系统。所述方法包含了对脱硫废水进行升温升压处理的环形菲涅尔式高倍太阳能聚光镜,进行预处理的沉淀池,进行出盐及浓缩废水的高温高压扩容蒸发器及膜蒸馏装置。高倍环形菲涅尔聚光器为高倍点式聚光器,成本上低于传统的碟式聚光器,也没有菲涅尔透镜聚光器对于外形大小的限制,聚光倍数也高于一般的线式聚光器,在高倍聚光光伏领域有着较高的应用前景;扩容蒸发器发面本发明采用高温高压扩容蒸发器,浓缩倍率有着显著的升高。

标签:
废水处理
北京 - 北京 来源:中冶有色网 2023-03-19
预防水气结露的脱硫废水零排放系统和方法

本发明提供了一种预防水气结露的脱硫废水零排放系统和方法。本发明的系统包括废水蒸发系统、主烟气系统和空气输送系统,废水蒸发系统的烟气进口和烟气出口分别通过旁路入口烟道和旁路出口烟道与主烟气系统的主烟道连通,空气输送系统包括空气管道、控制中心和至少一个热电偶,空气管道的出口端与旁路入口烟道连通,至少一个热电偶设置在废水蒸发系统上,在各烟道及管道上分别设有电动阀,控制中心根据至少一个热电偶监测的温度信号控制空气管道上的电动阀的开度以对空气流量进行调节。本发明的系统和方法能够防止高温烟气中的水气发生结露并产生污泥,避免了因污泥累积导致的系统阻力增大及局部堵塞等问题。

标签:
废水处理
北京 - 北京 来源:中冶有色网 2023-03-19
用于处理含油废水的吸附剂及其制备、再生方法和用途

本发明公开了一种用于处理含油废水的吸附剂及其制备、再生方法和用途,吸附剂包括:海泡石;致孔剂;粘合剂;溶剂;吸附剂的制备方法包括:将致孔剂在加热条件下溶解于溶剂中;将粘合剂加入所得的混合物中,搅拌并混合均匀;将海泡石加入所得的混合物中,搅拌并混合均匀;将所得的吸附剂混合物挤压成条状、干燥至成型后,切割成颗粒状;将颗粒状的吸附剂加热活化;取出活化后的颗粒状的吸附剂,冷却后即得用于处理含油废水的吸附剂;吸附剂的再生方法,包括:将使用过的吸附剂烘干至衡重;将烘干至衡重的吸附剂加热再生;重复操作一次以上;吸附剂用于处理含油废水的用途;本发明的吸附剂具有良好的吸附性能,提高对含油废水的处理效果。

标签:
废水处理
北京 - 北京 来源:中冶有色网 2023-03-19
木薯制酒精废水深度处理系统

本发明公开了一种木薯制酒精废水深度处理系统,包括:微氧生物反应系统、混凝沉淀池、石英砂过滤池、高能臭氧催化氧化系统、一体化高效脱氮除碳微氧膜生物反应器和紫外消毒渠;其中,微氧生物反应池设有进水口和出水口,出水口与混凝沉淀池、石英砂过滤池、高能臭氧催化氧化系统、一体化高效脱氮除碳微氧膜生物反应器和紫外消毒渠顺次连接;石英砂过滤池经回流管回流至混凝沉淀池;一体化高效脱氮除碳微氧膜生物反应器上设有有机碳源进入口,该一体化高效脱氮除碳微氧膜生物反应器的出水端经回流管路回流至石英砂过滤池的进水端;紫外消毒渠设有达标水排放口。该深度处理系统,能够有效处理木薯制酒精废水,保证出水水质长期稳定达标,出水水质优于《城镇污水处理厂污染物排放标准》GB18918?2002中的一级A标准要求。

标签:
废水处理
北京 - 北京 来源:中冶有色网 2023-03-19
悬浮法聚氯乙烯聚合工段废水处理方法

本发明公开了一种悬浮法聚氯乙烯聚合工段废水处理方法,其工艺主要包括以下步骤:(1)PVC浆料汽提废水首先进入第一调节池进行均质调节,然后进入预氧化段处理;(2)PVC离心母液废水首先进入冷却塔降温,然后进入沉淀池;(3)经过步骤(1)和(2)处理后的废水依次进入第二调节池、一级生化池、二级生化段、混凝沉淀池和深度处理段,深度处理后的出水可进行回用。该工艺创新的采用微气泡预氧化‑填料生物膜反应器‑AFMABR‑深度处理组合工艺,各单元处理针对性强,并为后续单元处理提供有利环境,多种特征污染物可以同时得到高效去除,系统具有处理效率高、能耗低、占地面积小、抗冲击能力强等优点。

标签:
废水处理
北京 - 北京 来源:中冶有色网 2023-03-19
高密度滤池与V型滤池组合工艺在焦化废水深度处理中的应用

本发明涉及煤化工企业所产生的焦化废水深度处理的发明技术。国内现今焦化企业多采用机械搅拌澄清池组合普通滤池的工艺对焦化废水进行深度处理,机械搅拌澄清池组合普通滤池工艺已无法满足生产的需求。本发明解决焦化废水深度处理工艺问题所采用的方案是:采用高密度滤池组合V型滤池工艺替代原有机械搅拌澄清池组合普通滤池工艺。本发明的成果是,较原有的机械搅拌澄清池组合普通滤池工艺提高了处理效率,极大地降低了出水悬浮物的浓度,降低了出水的COD,提高了运行中的稳定性,同时缩短了絮凝反应时间,适应各类新型的水处理药剂,满足了生产的需要,为焦化废水达标排放提供了有力的保障。

标签:
废水处理
北京 - 北京 来源:中冶有色网 2023-03-19
有机酸钙废水的处理方法

本发明提供一种有机酸钙废水的处理方法,涉及石油加工废水处理技术工艺。该有机酸钙废水的包括如下步骤:对有机酸钙废水进行蒸发浓缩,得到浓缩料液;对浓缩料液进行后处理,得到外排水。本发明提供的有机酸钙废水的处理方法,通过首先对有机酸钙废水实施蒸发浓缩,将含低浓度有机酸钙的废水浓缩至一定浓度,降低了后续后处理工艺设备的处理量,减小了有机酸钙废水处理装置的规模,并且还能够降低整个有机酸钙废水处理过程中的能耗,节约了有机酸钙废水的处理成本。并且,采用上述处理方法,可使有机酸钙废水得到无害化处理,使外排水的COD降低至800mg/L以下,满足了污水处理进水指标要求,降低了废水排放的环境风险。

标签:
废水处理
北京 - 北京 来源:中冶有色网 2023-03-19
利用焙烧水滑石处理甲醛废水的方法

本发明实施例公开了一种利用焙烧水滑石处理甲醛废水的方法,以焙烧后的水滑石作为处理甲醛废水的催化剂,包括以下步骤:将待处理的甲醛废水的pH值调节至碱性范围内,得到碱性甲醛废水;在碱性甲醛废水中加入焙烧后的水滑石,在60-100℃的反应条件下进行甲醛废水的处理;当甲醛废水中甲醛的含量小于预设阈值时,处理完毕。采用本发明的技术方案,甲醛去除率可以达到95%以上。焙烧后的水滑石作为处理甲醛废水的催化剂耐受性好,再生性能好,容易过滤分离。与现有技术相比,不需要现用现配,使用方便;不会产生溶解性的钙、镁、铝离子,因此,不会产生管道结垢、污堵等问题。

标签:
废水处理
北京 - 北京 来源:中冶有色网 2023-03-19
废水自动中和系统
废水自动中和系统 963     
 0

本实用新型提供一种废水自动中和系统,包括废水池,还包括控制部件、以及分别与其相连接的仪表、加药装置与废水提升泵,加药装置与废水提升泵的注入端相连通,废水提升泵的注入端和出水端均是通过管路与废水池相连通以形成循环管路,在循环管路上还安装有阀门。本实用新型设计简单方便,可根据实际生产需要制作成一体化设备布置在废水池旁,从而根据所检测到的废水池中废水的PH值,自动将酸性/碱性药剂投加至废水池,在充分混合后,以使废水池中废水的PH值达到中和状态;将人工投放药剂方式改为通过加药装置投放药剂,可避免酸性/碱性药剂对人体造成的危害。

标签:
废水处理
北京 - 北京 来源:中冶有色网 2023-03-19
含油废水的处理回用方法

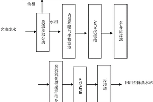
本发明涉及一种含油废水的处理回用方法,采用“旋流萃取分离+内循环曝气生物滤池+传统生化+多介质过滤+臭氧氧化/缓冲池+二次生化+反渗透系统”工艺对含油废水进行处理。所述含油废水为炼油企业含油废水。所述炼油企业含油废水具体说是指沥青生产装置常减压电脱盐排水、联合装置电脱盐排水和硫磺车间碱渣处理装置混合排水。本发明所述的含油废水的处理回用方法,采用轻油对含油废水中的油进行萃取分离去除废水中大部分油,再通过内循环曝气生物滤池过滤除掉废水中残留的油和有机物以稳定后端处理水质,确保传统生化处理的正常稳定运行,在传统的生化处理后增加了氧化+二次生化+脱盐工艺实现了最终含油废水的回用而不是排放。

标签:
废水处理
北京 - 北京 来源:中冶有色网 2023-03-19
用于难降解废水的深度处理工艺及其系统

本发明公开了一种用于难降解废水的深度处理工艺及其系统,该工艺包括两级臭氧氧化‑MBR处理,先将废水进入一级臭氧氧化处理提高可生化性后进入一级MBR进行生化好氧反应,去除部分有机物后再进入二级臭氧氧化处理继续提高可生化性后进入二级MBR深度降解后出水;本发明通过设置两级臭氧氧化‑MBR处理,控制臭氧氧化程度,利用臭氧氧化提高废水可生化性,利用MBR生化好氧反应降低废水中的有机物,相对于传统臭氧氧化‑MBR工艺,大幅降低了臭氧氧化反应器体积及臭氧投加量,降低了投资成本和运行成本,同时强化了深度处理效果。

标签:
废水处理
北京 - 北京 来源:中冶有色网 2023-03-19
基于磁黄铁矿生物炭负载嗜酸菌生物膜处理六价铬废水的方法

本发明公开了一种基于磁黄铁矿生物炭负载嗜酸菌生物膜处理六价铬废水的方法,包括:①制备负载磁黄铁矿生物炭:将生物质破碎后,经FeSO4浸渍在管式炉中热解;②培养嗜酸菌,制备生物膜:将负载磁黄铁矿生物炭加入嗜酸菌培养基中,震荡后嗜酸菌吸附在磁黄铁矿表面形成生物膜;③处理废水:将负载嗜酸菌生物膜嗜的磁黄铁矿生物炭加入到含六价铬的废水中,控制温度20‑60℃,同时使用曝气装置进行空气或氧气曝气,当不含有六价铬后,进行过滤。本发明具有成本低,反应温和,工艺简单,铬去除率高的优点,可应用于电镀厂、冶炼厂、电子厂等含六价铬废水的处理。

标签:
废水处理
北京 - 北京 来源:中冶有色网 2023-03-19
处理含杂环化合物废水的靶向催化剂制备方法

一种处理含杂环化合物废水的靶向催化剂制备方法,在40?80℃的去离子水中溶解活性组分盐为5?15%的溶液;加入铵盐使pH升高到6.5?7.5,保持该温度并以60?100转/分的速度搅拌40?80分钟;过滤,并用去离子水清洗3?5次;于100?110℃的马弗炉中干燥3?6小时得到粒状粉末,按质量百分比为10?30%的上述粒状粉末、2?4%的润滑剂、5?15%的胶凝剂、50?80%的氧化铝粉末和1?3%的扩孔剂;混合并搅拌均匀滚至2?8mm时取出,置于100?200℃的烘箱中干燥3?5小时;然后置于400?800℃的马弗炉内焙烧2?6小时。本发明的靶向催化剂对含杂环化合物的废水具有较强的针对性、处理效率高,有效的提高了出水效果;本发明获得的靶向催化剂具有比表面积大、活性高的特点,大大提高了臭氧利用率,从而减少了臭氧的投加量。

标签:
废水处理
北京 - 北京 来源:中冶有色网 2023-03-19
1,3-丙二醇生产废水的处理方法

本发明涉及一种1,3-丙二醇生产废水的处理方法,用于以粗甘油为原料发酵法生产1,3-丙二醇过程中的高浓度有机废水的处理。该法采用多效蒸发处理,再将蒸发冷凝冷却液与其他生产工序的排水混合进行上流式厌氧污泥床发酵、一级好氧生化、臭氧氧化、二级好氧生化组合处理,处理后出水直接达标排放。该法具有高浓度高含盐有机废水可实现达标排放、废水中的废物料得到有效回收和综合利用、高浓度有机污染物被转化成甲烷等得到资源利用等特点,符合循环经济和清洁生产的要求。

标签:
废水处理
北京 - 北京 来源:中冶有色网 2023-03-19
基于超声作用的内电解废水处理方法和装置

本发明涉及一种基于超声作用的内电解废水处 理方法和装置,属于水处理应用领域。该方法利用低强度超声 来强化内电解过程,提高处理效果。超声的微射流作用和冲击 波损伤及超声过程空化生成的 H2O2均使铁屑表面不断得到活化,有效防止铁屑的锈蚀结块, 有效地清洗铁屑表面,加速内电解的反应 速度。装置的主体是反应装置中装填混合均匀的铁屑和活性炭 颗粒,辅以超声作用,通过超声清洗有效地防止铁炭床的阻塞 结块。该方法和装置简单合理,运行费用低,可广泛应用于处 理废水中难降解有机污染物,提高废水的可生化性,对染料废 水的色度、COD有较高的去除率。

标签:
废水处理
北京 - 北京 来源:中冶有色网 2023-03-19
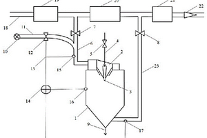
脱硫用水系废水零排放水量追踪系统及火电厂水系统

本发明的脱硫用水系废水零排放水量追踪系统,在所述进水端设置用于统计进入所述吸收塔脱硫供水水量的第一液体流量计,在所述排水终端设置用于统计脱硫废水水量的第二液体流量计,在所述烟囱内设置用于监测烟囱内空气湿度并计算蒸发水量的在线湿度自动检测设备,以实现对所述脱硫用水系统水量全过程追踪,可以记录脱硫废水的用水去向与用水量变化,检测各个环节用水过程,实现用水环节清晰化、透明化,有利于高效利用水资源、最大限度节约水资源、减少废水外排、逐步实现废水的零排放,本发明还提供了一种火电厂水系统。

标签:
废水处理
北京 - 北京 来源:中冶有色网 2023-03-19
脱硫废水热法与膜法耦合浓缩系统及方法

本发明公开了一种脱硫废水热法与膜法耦合浓缩系统及方法,属于脱硫废水处理技术领域,系统包括废水预处理系统、引风机、蒸发塔、循环水泵和膜蒸馏装置;利用除尘器之后的烟气作为热源,在蒸发塔内与脱硫废水直接进行换热,通过废水的蒸发,实现废水的浓缩减量。同时,在脱硫废水的循环回路上增加了膜蒸馏装置,利用废水蒸发后的余热实现高品质冷凝产水的回收,膜蒸馏冷却介质为低温空气,空气经过膜蒸馏系统回收部分热量后进入空预器;相对于传统的膜法浓缩工艺,工艺流程简单,相对于热法浓缩工艺,在抽取低温烟气对锅炉运行的影响较小,且充分利用废水余热,回收得到高品质的产水,通过膜法和热法耦合系统实现废水的浓缩减量,具有良好的应用前景。

标签:
废水处理
北京 - 北京 来源:中冶有色网 2023-03-19
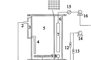
用于黄连素制药废水处理的连续流好氧颗粒污泥膜生物反应器

本发明涉及一种用于黄连素制药废水处理的连续流好氧颗粒污泥膜生物反应器。反应器分为主反应区5和污泥颗粒化与膜分离区6,中间由穿孔隔板17隔开。主反应区5底部安装微孔曝气盘9,为反应器内生化反应供氧,污泥颗粒化膜分离区底部安装曝气管8,为膜表面提供冲刷,微孔曝气盘9和曝气管8共同为好氧颗粒污泥的形成与维持提供剪切力。污泥颗粒化与膜分离区内放置中空纤维膜组件7。反应器采用连续式操作方式,废水由进水泵1注入反应器,处理后废水经膜组件7由抽吸泵16连续抽吸出反应器。本发明将膜生物反应器和好氧颗粒污泥反应器结合,在连续流反应器中实现了好氧颗粒污泥的培养和稳定化运行;通过污泥的颗粒化,提高了微生物对废水中黄连素的耐受性,可实现废水中高浓度有机物、黄连素和氨氮的同步高效去除。

标签:
废水处理
北京 - 北京 来源:中冶有色网 2023-03-19
丁腈橡胶废水的回收处理方法

本发明公开了一种丁腈橡胶废水的回收处理方法,该方法包括以下步骤:(1)在蒸出所述丁腈橡胶废水中的丙烯腈的条件下将丁腈橡胶废水进行蒸馏;(2)在丙烯腈被氧化的条件下,将经过步骤(1)处理的丁腈橡胶废水与臭氧和/或过氧化氢接触。采用本发明所提供的丁腈橡胶废水回收处理方法不受废水中丙烯腈浓度的限制,能耗低,无二次污染,操作简便,占地面积小,具有高效经济性和环境友好性等优点。

标签:
废水处理
北京 - 北京 来源:中冶有色网 2023-03-19
高盐含聚废水的光电催化/芬顿耦合处理系统及处理方法

本发明涉及一种高盐含聚废水的光电催化/芬顿耦合处理系统,该系统包括电解装置和光电催化/芬顿反应装置,电解装置在电场作用下将高盐含聚废水迅速破乳分离得到下清液;光电催化/芬顿反应装置将光电芬顿反应引入光电催化体系,并对光电催化剂进一步改进,使TiO2光电催化反应与光电芬顿反应结合起来,提高光电一体化装置的催化效率,与电解装置的电解破乳工艺组合,实现高盐含聚废水的深度处理。本发明还提供了一种高盐含聚废水的深度处理方法,废水先通过电解预处理进行迅速破乳去除绝大部分油类,再通过光电催化/芬顿耦合处理装置去除剩余污染物,实现含聚废水达标排放。

标签:
废水处理
北京 - 北京 来源:中冶有色网 2023-03-19
动态强化微电解废水处理装置

一种动态强化微电解废水处理装置,涉及采用电 化学方法对废水进行处理的装置。本装置的主体为一水平放置 的转筒,转筒内的隔板(4)和惰性电极(5)相复合,石墨板组成的 惰性电极(5)等距离安插在隔板(4)的定位条上,并由铜导线连接 后引出装置筒体,在装置筒体外通过碳刷(3)与固定的电极座定 时连通,强化了铁-碳床的微电解过程,可以缩短处理时间, 增大处理能力,广泛用于处理溶液及废水中各种胶体、金属离子、氰化物(CN-)、有机物及微生物不易降解和难降解的有机物和其它污染物,适用于处理生活污水、毛、棉、麻、化纤等纺织印染废水和染料废水、难于生化降解的化工废水、制药废水、食品发酵废水、含油废水、洗车废水等。

标签:
废水处理
北京 - 北京 来源:中冶有色网 2023-03-19
废气和废水的臭氧氧化处理装置以及处理方法

本发明涉及废水和废气处理领域,公开了一种废气和废水的臭氧氧化处理装置以及处理方法。该装置包括设置在下部的填料层(6)以及设置在上部的臭氧破坏装置(8),所述填料层(6)中设置有既可作为悬浮性填料又可作为固定性填料的臭氧催化剂,该装置还包括进水口(5)、排水口(7)、臭氧进气口(2)、废气进气口(3)以及出气口(9),其中,进水口(5)、臭氧进气口(2)和废气进气口(3)分别用于将废水、臭氧和废气引入该处理装置的填料层(6)中,并与其中的臭氧催化剂接触;排水口(7)用于将处理后废水引出该处理装置,出气口(9)用于将处理后废气以及反应后的臭氧经臭氧破坏装置(8)破坏后引出该处理装置。本发明将废水和废气处理有机结合起来,能够在同一装置上同时实现废水和废气的处理。

标签:
废水处理
北京 - 北京 来源:中冶有色网 2023-03-19
电厂废水的处理工艺与处理系统

本申请提供了一种电厂废水的处理工艺与处理系统。该处理工艺包括:步骤S1,对废水进行石灰软化;步骤S2,对石灰软化后的废水进行过滤,得到滤液;步骤S3,对滤液进行钠床软化,得到软化水;步骤S4,对软化水进行高效反渗透处理,得到一级除盐水。对电厂废水进行石灰软化和钠床软化工艺,可以去除例如Ca2+和Mg2+等离子,降低废水的硬度,对废水进行过滤,降低了水中的浊度,使得经过该处理工艺处理后的废水达到一级除盐水的水质指标,该部分水可以利用在生活与生产中,实现废水转变为可利用水的目的。另外,采用高效反渗透处理,可以将废水的回收率提高至90%,进而大大提高了废水的回收率,减少了新鲜水取用量,节约了水资源。

标签:
废水处理
北京 - 北京 来源:中冶有色网 2023-03-19
利用离子交换纤维去除选矿废水中有害金属离子的工艺

一种利用离子交换纤维去除选矿废水中有害金属离子的工艺,其步骤为:a.将离子交换纤维经过编织定型,包裹于载体之外,构成吸附单元;b.待处理的选矿废水进行至少24小时的自然沉降,以初步去除其中的固体颗粒和杂质;c.将所述吸附单元载体置于经过自然沉降的选矿废水中,以200~400r/min的转速充分搅拌0.5~1小时,然后静置2~4小时;d.将吸附单元取出,用0.05mol/L盐酸溶液洗涤2次,再以0.1mol/L的盐酸和0.05mol/L的硫脲溶液的混合溶液洗脱,以回收吸附单元;经过吸附处理后的选矿废水进入其他废水处理流程。本发明工艺操作简单,吸附效率高,操作时间短,容易实现多级组合,具有高效、经济和对环境友好的优势,有利于我国选矿废水的有效处理和循环利用。

标签:
废水处理
北京 - 北京 来源:中冶有色网 2023-03-19
辐照耦合过一硫酸盐处理焦化废水浓缩液的方法

本发明公开了属于环境工程技术领域的一种辐照耦合过一硫酸盐处理焦化废水浓缩液的方法。该方法为向焦化废水浓缩液中加入过一硫酸盐进行反应,将反应后所得混合液进行辐照处理。本发明处理后焦化废水浓缩液的色度完全消失,COD达到了焦化废水行业排放标准。本发明能够有效处理焦化废水浓缩液,达到去除焦化废水浓缩液色度和降低COD的目的。

标签:
废水处理
北京 - 北京 来源:中冶有色网 2023-03-19
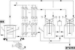
膜曝气与膜吸收耦合工艺的高氨氮废水资源化零排放处理方法及装置

一种膜曝气与膜吸收耦合工艺的高氨氮废水资源化零排放处理方法及装置,属于环境工程领域。首先采用膜曝气方式脱除氨氮废水中60%左右的氨氮,再采用膜吸收多级脱氨方式脱除废水中剩余99%左右氨氮,使高氨氮原水处理后达到直排的效果。将膜曝气系统中分离出的氨气直接通入膜吸收过程进行完吸收液罐,用于反应掉吸收液罐中过量的酸。再将处理完的吸收液通入副产品回收系统,对高浓度的吸收液进行处理。在运行能力降低至原处理能力的70%时、或需要长时间停机时,均需开启清洗-气洗系统,对系统进行维护清洗,以保持系统可以长期稳定的运行。

标签:
废水处理
北京 - 北京 来源:中冶有色网 2023-03-19
硝基氯苯废水的强化氧化出水的深度处理及回用方法

本发明涉及一种硝基氯苯废水的强化氧化出水的深度处理及回用方法,其步骤为:将具有一定温度的硝基氯苯废水的强化氧化出水加热到预定温度;然后通过进料泵送至膜组件;对膜组件的渗透侧抽真空,在抽真空作用下,使硝基氯苯废水的强化氧化出水中的气体、水蒸汽透过膜组件的膜孔,并在膜组件的渗透侧冷凝形成产水,实现硝基氯苯废水的强化氧化出水中污染物的分离和浓缩;对膜蒸馏定期排放的少量浓水进行集中处置。本发明所述的深度处理及回用方法,进一步去除硝基氯苯废水的强化氧化出水中未能完全氧化的小分子有机物及大量的无机离子,提高水资源的利用率,最大限度降低废水排放量,充分利用强化氧化出水余热,最大限度的回收水资源和热能。

标签:
废水处理
北京 - 北京 来源:中冶有色网 2023-03-19
烧结脱硫废水零排放系统及其方法

本发明提供了一种烧结脱硫废水零排放系统及其方法,包括依次连接的废水生产段、混合调节段和雾化段,所述废水生产段包括依次通过管路连接的除尘装置、鼓风机和湿法脱硫装置,所述混合调节段包括废水调节池、脱硫废水抽水泵和压缩空气输入装置,所述雾化段包括雾化混合装置和连接于所述雾化混合装置输出端的喷洒管路,所述喷洒管路与环冷机的低温段进风风箱相连接,所述雾化混合装置分别与所述脱硫废水抽水泵的输出端和一抽风机的出风端相连接,所述抽风机的进风端与大气相连。本发明具有既能实现脱硫废水零排放,又能降低烧结矿的低温还原粉化率的优点。

标签:
废水处理
北京 - 北京 来源:中冶有色网 2023-03-19
上一页 182 183 184 185 186 ... 242 下一页
共242页    到第

中冶有色为您提供最新的北京有色金属废水处理技术理论与应用信息,涵盖发明专利、权利要求、说明书、技术领域、背景技术、实用新型内容及具体实施方式等有色技术内容。打造最具专业性的有色金属技术理论与应用平台!

全国热门有色金属设备推荐
展开更多 +
全国热门有色金属技术推荐
展开更多 +

 

江西省隆恩特环保设备有限公司
宣传

报名参会
更多+

2025年10月15日 ~ 17日
2025年10月17日 ~ 19日
2025年10月31日 ~ 11月02日
2025年11月07日 ~ 09日

报告下载

有色专家
更多+

长沙矿冶研究院有限责任公司
中国工程院院士
北京科技大学
主任/教授
广西大学
处长/教授
赣州江钨钨合金有限公司
副总经理
中南大学
教授、博士生导师
赤泥综合利用研究报告2025
推广

热门技术
更多+

推荐企业
更多+

福建省金龙稀土股份有限公司
宣传

发布

在线客服

公众号

电话

顶部
咨询电话:
010-88793500-807